電動推桿電器控制原理圖及注意事項!
來源:www.hnhyx.com.cn|作者:揚州唯升 |發布時間:2008-12-23 |次瀏覽
電動推桿是一種將電動機的旋轉運動轉變為推桿的直線往復運動的電力驅動裝置??捎糜诟鞣N簡單或復雜的工藝流程中做為執行機械使用,以實現遠距離控制、集中控制或自動控制。電動推桿電器
電動推桿是一種將電動機的旋轉運動轉變為推桿的直線往復運動的電力驅動裝置??捎糜诟鞣N簡單或復雜的工藝流程中做為執行機械使用,以實現遠距離控制、集中控制或自動控制。
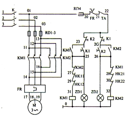
電動推桿電器控制原理圖如下:

序號 | 名稱 | 規格 | 數量 |
1 | K組合開關 |
| 1 |
2 | RD熔斷器 |
| 4 |
3 | KM交流接觸器 | CJ1-10/22V | 2 |
4 | FR熱繼電器 | JB36F | 1 |
5 | ZD指示燈 | 綠色220V | 2 |
6 | TA停止按鈕 | 紅色 | 1 |
7 | K啟動按鈕 | 綠色 | 2 |
8 | HK11行程開關 | 上推極限(機內) | 1 |
9 | HK21行程開關 | 下拉極限(機內) | 1 |
10 | HK12行程開關 | 上推定位 | 1 |
11 | HK22行程開關 | 下拉定位 | 1 |
電動推桿控制注意事項:
1、使用電動推桿,嚴格按線路控制圖接線,若接線不當或舍棄過載控制,電動機燒毀及零部件損壞。
2、控制柜有紅線兩根,黃、綠線各一根。具體接線方法如上:
3、保證電動機順時針方向旋轉,則接線控制方式為:綠、紅線為拉回限位;黃、紅線為推進限位。